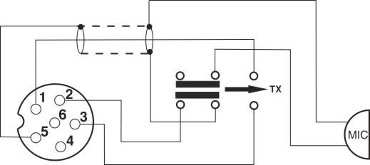
DNC 518 - 6 BROCHES
Micro electret :
JIMMY, JOHNNY, HARRY
Micro dynamique :
PRESIDENT TAYLOR, VALERY, WILSON, HERBERT, ROBERT, JFK, GRANT, RICHARD, JACKSON, MC 6700

| N° | CABLES |
|---|---|
| 1 | Modulation |
| 2 | RX |
| 3 | TX |
| 4 | NC* |
| 5 | Masse |
| 6 | NC* |

ATTENTION : Coté poste, la broche N°6 est alimentée en 13.2V, ne pas remplacer un micro dynamique par un electret et inversement.
Suivez-nous