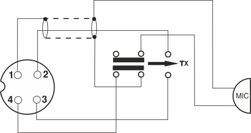
DNC 514 - 4 BROCHES
Micro electret :
PRESIDENT JIMMY, JOHNNY
Micro dynamique :
PRESIDENT FRANCOIS, VALERY, WILSON, HERBERT, JFK, SS 120, JACK, GRANT, JACKSON, RONALD, FRANKLIN, SS 360, BENJAMIN
Ancienne génération

| N° | CABLES |
|---|---|
| 1 | Masse |
| 2 | Modulation |
| 3 | TX |
| 4 | RX |

ATTENTION : Ne pas remplacer un micro dynamique par un electret et inversement.
Suivez-nous