CONNECTEUR RJ11 - 4 BROCHES
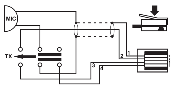
Micro electret :
BILLY

| N° | CABLES |
|---|---|
| 1 | Masse |
| 2 | Modulation |
| 3 | TX |
| 4 | RX |
Vous êtes sur le site Européen
.
Si vous souhaitez accéder au site Américain cliquez ici ![]()
Micro electret :
BILLY

| N° | CABLES |
|---|---|
| 1 | Masse |
| 2 | Modulation |
| 3 | TX |
| 4 | RX |
Suivez-nous